Naša koda: P106498

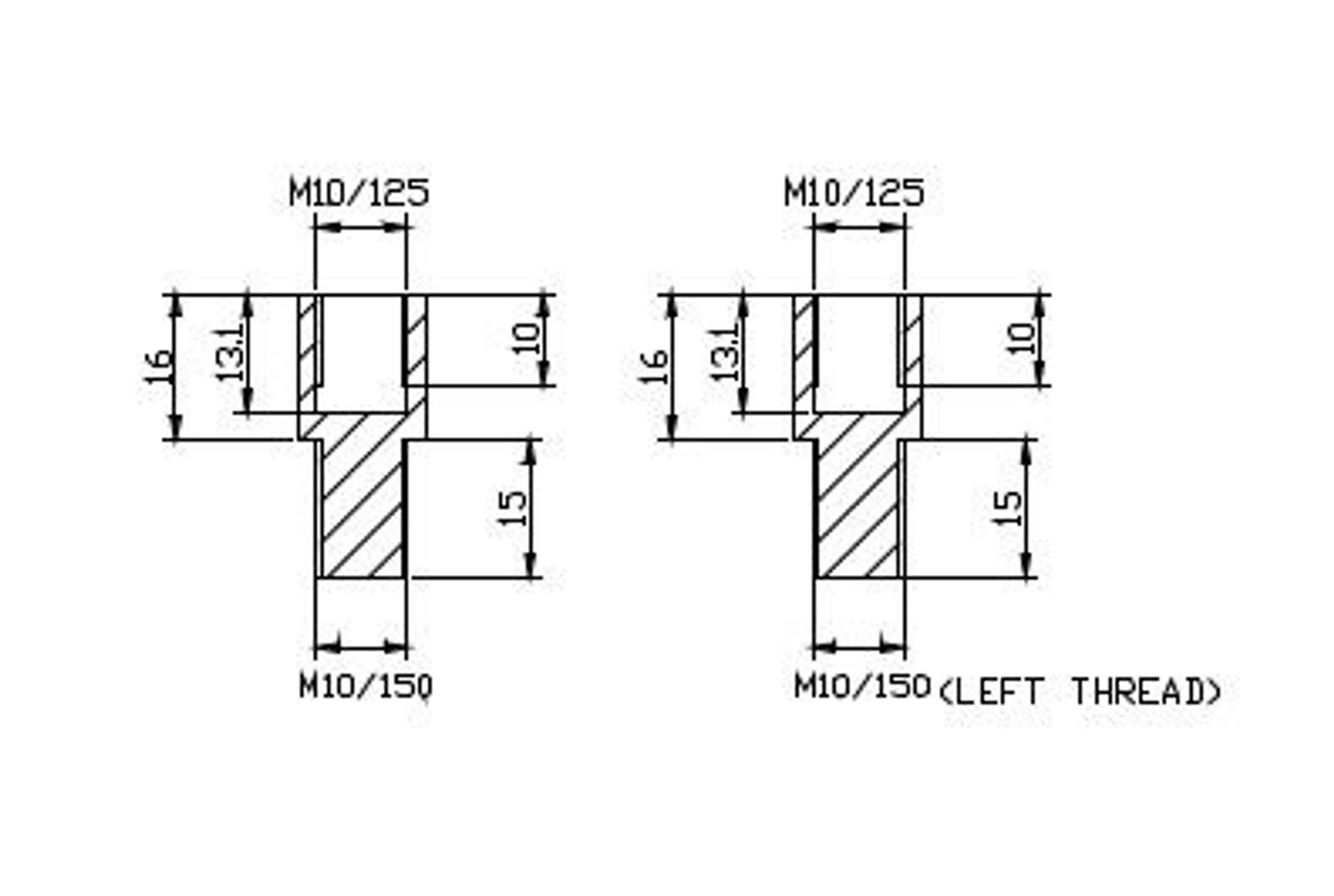
Mirror adaptor PUIG ADAPTER M10/150 THREAD RIGHT+LEFT REAR MIRROR HI-T 9271N črna to handlebar

ADAPTER M10/150 THREAD RIGHT+LEFT REAR MIRROR HI-T
7,66 € Vsebuje DDV
6,28 € brez DDV
Ni na zalogi
+ -
(kos)

Primerjaj

Navadenih v kategorijah:     Ogledala PUIG

Mirror adaptor PUIG ADAPTER M10/150 THREAD RIGHT+LEFT REAR MIRROR HI-T 9271N črna to handlebar
7,66 €
+ -
Naša koda: P106498

Morda bi bilo koristno

FACE MASK PUIG 20498N
6,72 €
Na zalogi v centralnem skladišču. Dobava 3-5 dni.
0 izdelki k porovnání PrimerjavaPokaži primerjavo