Naša koda: P246015

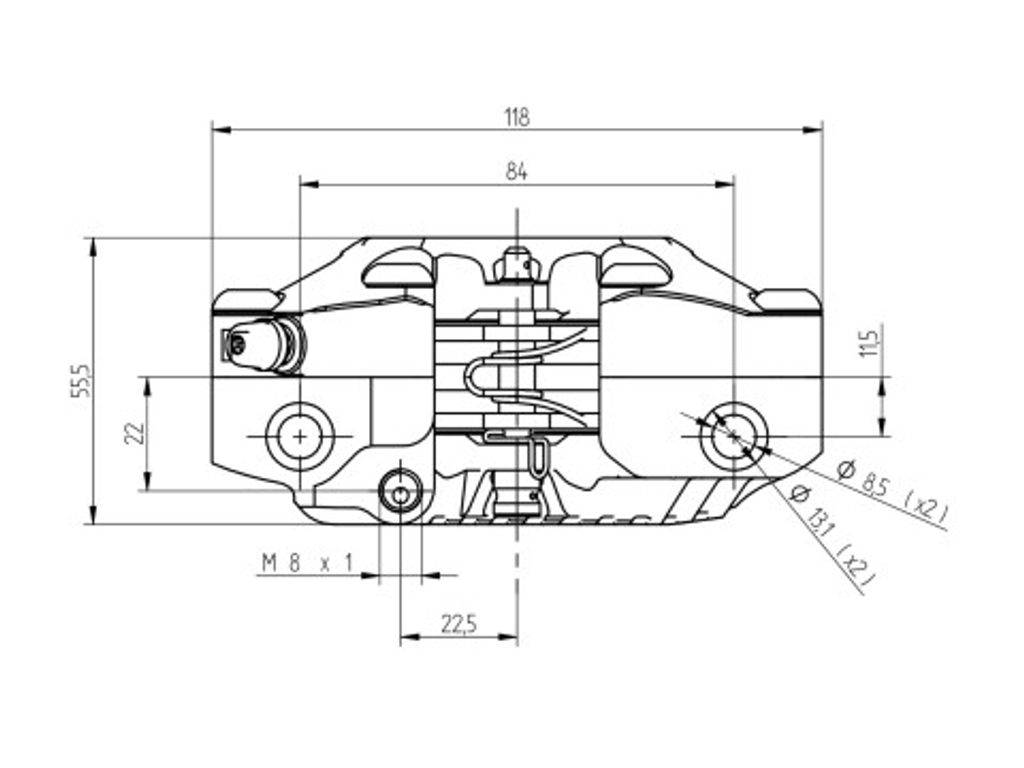
Radial brake caliper ACCOSSATO PZ014

ACCOSSATO Radial brake caliper for MiniGp, Pitbike and Scooters.
Možnosti:

512,40 € Vsebuje DDV
420,00 € brez DDV
Ni na zalogi
+ -
(kos)

Primerjaj

Navadenih v kategorijah:     Radial brake calipers ACCOSSATO

Radial brake caliper ACCOSSATO PZ014
512,40 €
+ -

Opis in parametri

Proizvajalec ACCOSSATO
Package contents Left caliper
Naša koda: P246015
0 izdelki k porovnání PrimerjavaPokaži primerjavo